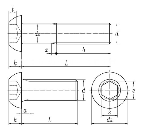
GB/ T 70.2 - 2015 内六角平圆头螺钉
工艺:
详细信息
GB/ T 70.2 - 2015 内六角平圆头螺钉
材质、等级:4.8级、8.8级、10.9级、12.9级、304、316等。
表面处理:环保蓝白锌,环保彩锌,环保达克罗,锌镍合金,镀镍,环保黑锌等。
盐雾时间:可做48H、72H、120H、240H等。
可做十字一字复合槽、防盗槽型、锁紧螺纹、涂胶螺钉等,可根据客户要求进行定制。
电话咨询:400-086-0001 025-86183701-8026
徐小姐
邮件咨询:dm8026@18luosi.com
QQ咨询:2850588428

| 公称直径 | M3 | M4 | M5 | M6 | M8 | M10 | M12 | M16 | |
| P | 螺距 | 0.5 | 0.7 | 0.8 | 1 | 1.25 | 1.5 | 1.75 | 2 |
| b | ≈ | 18 | 20 | 22 | 24 | 28 | 32 | 36 | 44 |
| dk | 最大值 | 5.7 | 7.6 | 9.5 | 10.5 | 14 | 17.5 | 21 | 28 |
| 最小值 | 5.4 | 7.24 | 9.14 | 10.07 | 13.57 | 17.07 | 20.48 | 27.48 | |
| ds | 最大值 | 3 | 4 | 5 | 6 | 8 | 10 | 12 | 16 |
| 最小值 | 2.86 | 3.82 | 4.82 | 5.82 | 7.78 | 9.78 | 11.73 | 15.73 | |
| k | 最大值 | 1.65 | 2.2 | 2.75 | 3.3 | 4.4 | 5.5 | 6.6 | 8.8 |
| 最小值 | 1.4 | 1.95 | 2.5 | 3 | 4.1 | 5.2 | 6.24 | 8.44 | |
| s | 公称 | 2 | 2.5 | 3 | 4 | 5 | 6 | 8 | 10 |
| 最大值 | 2.08 | 2.58 | 3.08 | 4.095 | 5.14 | 6.14 | 8.175 | 10.175 | |
| 最小值 | 2.02 | 2.52 | 3.02 | 4.02 | 5.02 | 6.02 | 8.025 | 10.025 | |
| t | 最小值 | 1.04 | 1.3 | 1.56 | 2.08 | 2.6 | 3.12 | 4.16 | 5.2 |
| 最小拉力载荷 N - 8.8级 ① | 3220 | 5620 | 9080 | 12900 | 23400 | 37100 | 53900 | 100000 | |
| 最小拉力载荷 N - 10.9级 ① | 4180 | 7300 | 11800 | 16700 | 30500 | 48200 | 70200 | 130000 | |
| 最小拉力载荷 N - 12.9级 ① | 4910 | 8560 | 13800 | 19600 | 35700 | 56600 | 82400 | 154000 | |
| 最小拉力载荷 N - 70 ② | 2810 | 4910 | 7950 | 11200 | 20400 | 32400 | 47200 | 87900 | |
| 最小拉力载荷 N - 80 ② | 3220 | 5620 | 9080 | 12900 | 23400 | 37100 | 53900 | 100000 | |
| ①,GB/T 3098 . 1 规定值Fm.min 的80%。 | |||||||||
| ②,GB/T 3098 . 6 规定值Fm.min 的80% 。 | |||||||||