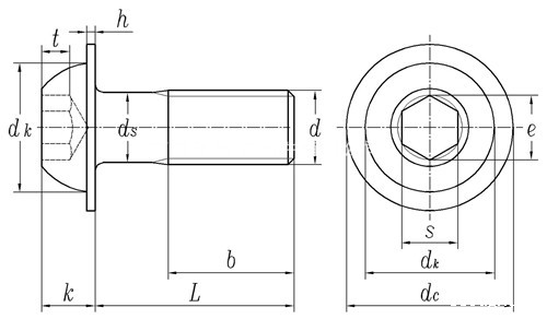
ISO 7380-2 - 2011 内六角圆头带垫螺钉
工艺:
详细信息
ISO 7380-2 - 2011 内六角圆头带垫螺钉
材质、等级:4.8级、8.8级、10.9级、12.9级、304、316等。
表面处理:环保蓝白锌,环保彩锌,环保达克罗,锌镍合金,镀镍,环保黑锌等。
盐雾时间:可做48H、72H、120H、240H等。
可做十字一字复合槽、防盗槽型、锁紧螺纹、涂胶螺钉等,可根据客户要求进行定制。
电话咨询:400-086-0001 025-86183701-8026
徐小姐
邮件咨询:dm8026@18luosi.com
QQ咨询:2850588428

| 公称直径 | M3 | M4 | M5 | M6 | M8 | M10 | M12 | M16 | |
| P | 螺距 | 0.5 | 0.7 | 0.8 | 1 | 1.25 | 1.5 | 1.75 | 2 |
| b | 18 | 20 | 22 | 24 | 28 | 32 | 36 | 44 | |
| h | 最大值 | 0.7 | 0.8 | 1 | 1.2 | 1.5 | 2 | 2.4 | 2.8 |
| 最小值 | 0.55 | 0.65 | 0.8 | 1 | 1.25 | 1.7 | 2.1 | 2.5 | |
| dc | 最大值 | 6.9 | 9.4 | 11.8 | 13.6 | 17.8 | 21.9 | 26 | 34 |
| 最小值 | 6.32 | 8.82 | 11.1 | 12.9 | 17.1 | 21.06 | 25.16 | 33 | |
| dk | 最大值 | 5.2 | 7.2 | 8.8 | 10 | 13.2 | 16.5 | 19.4 | 26 |
| 最小值 | 4.9 | 6.8 | 8.4 | 9.6 | 12.8 | 16.1 | 18.9 | 25.5 | |
| ds | 最大值 | 3 | 4 | 5 | 6 | 8 | 10 | 12 | 16 |
| 最小值 | 2.86 | 3.82 | 4.82 | 5.82 | 7.78 | 9.78 | 11.73 | 15.73 | |
| k | 最大值 | 1.65 | 2.2 | 2.75 | 3.3 | 4.4 | 5.5 | 6.6 | 8.8 |
| 最小值 | 1.4 | 1.95 | 2.5 | 3 | 4.1 | 5.2 | 6.24 | 8.44 | |
| s | 公称 | 2 | 2.5 | 3 | 4 | 5 | 6 | 8 | 10 |
| 最大值 | 2.08 | 2.58 | 3.08 | 4.095 | 5.14 | 6.14 | 8.175 | 10.175 | |
| 最小值 | 2.02 | 2.52 | 3.02 | 4.02 | 5.02 | 6.02 | 8.025 | 10.025 | |
| t | 最小值 | 1.04 | 1.3 | 1.56 | 2.08 | 2.6 | 3.12 | 4.16 | 5.2 |