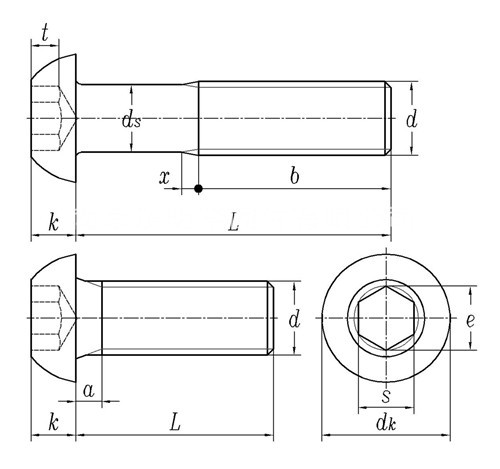
ANSIASME B 18.3 - 2003(R2008) 内六角圆头螺钉 [Table 3]
工艺:
详细信息
ANSIASME B 18.3 - 2003(R2008) 内六角圆头螺钉 [Table 3]
材质、等级:4.8级、8.8级、10.9级、12.9级、304、316等。
表面处理:环保蓝白锌,环保彩锌,环保达克罗,锌镍合金,镀镍,环保黑锌等。
盐雾时间:可做48H、72H、120H、240H等。
可做十字一字复合槽、防盗槽型、锁紧螺纹、涂胶螺钉等,可根据客户要求进行定制。
电话咨询:400-086-0001 025-86183701-8026
徐小姐
邮件咨询:dm8026@18luosi.com
QQ咨询:2850588428

| 公称直径 | 0# | 1# | 2# | 3# | 4# | 5# | 6# | 8# | 10# | 1月4日 | 5月16日 | 3月8日 | 1月2日 | 5月8日 | |
| d | 公称直径 | 0.06 | 0.073 | 0.086 | 0.099 | 0.112 | 0.125 | 0.138 | 0.164 | 0.19 | 0.25 | 0.313 | 0.375 | 0.5 | 0.625 |
| PP | 粗牙/UNC | - | 64 | 56 | 48 | 40 | 40 | 32 | 32 | 24 | 20 | 18 | 16 | 13 | 11 |
| 细牙/UNF | 80 | 72 | 64 | 56 | 48 | 44 | 40 | 36 | 32 | 28 | 24 | 24 | 20 | 18 | |
| 超细牙/UNEF | - | - | - | - | - | - | - | - | - | 32 | 32 | 32 | 28 | 24 | |
| dk | 最大值 | 0.114 | 0.139 | 0.164 | 0.188 | 0.213 | 0.238 | 0.262 | 0.312 | 0.361 | 0.437 | 0.547 | 0.656 | 0.875 | 1 |
| 最小值 | 0.104 | 0.129 | 0.154 | 0.176 | 0.201 | 0.226 | 0.25 | 0.298 | 0.347 | 0.419 | 0.527 | 0.636 | 0.851 | 0.97 | |
| k | 最大值 | 0.032 | 0.039 | 0.046 | 0.052 | 0.059 | 0.066 | 0.073 | 0.087 | 0.101 | 0.132 | 0.166 | 0.199 | 0.265 | 0.331 |
| 最小值 | 0.026 | 0.033 | 0.038 | 0.044 | 0.051 | 0.058 | 0.063 | 0.077 | 0.091 | 0.122 | 0.152 | 0.185 | 0.245 | 0.311 | |
| s | 公称 | 0.035 | 0.05 | 0.05 | 0.062 | 0.062 | 0.078 | 0.078 | 0.094 | 0.125 | 0.156 | 0.188 | 0.219 | 0.312 | 0.375 |
| t | 最小值 | 0.02 | 0.028 | 0.028 | 0.035 | 0.035 | 0.044 | 0.044 | 0.052 | 0.07 | 0.087 | 0.105 | 0.122 | 0.175 | 0.21 |
| L | 最大值 | 0.5 | 0.5 | 0.5 | 0.5 | 0.5 | 0.5 | 0.63 | 0.75 | 1 | 1 | 1 | 1.25 | 2 | 2 |