ANSIASME B 18.3 - 2003(R2008) 内六角矮圆柱头螺钉 [Table 1G]
工艺:
详细信息
ANSIASME B 18.3 - 2003(R2008) 内六角矮圆柱头螺钉 [Table 1G]
材质、等级:4.8级、8.8级、10.9级、12.9级、304、316等。
表面处理:环保蓝白锌,环保彩锌,环保达克罗,锌镍合金,镀镍,环保黑锌等。
盐雾时间:可做48H、72H、120H、240H等。
可做十字一字复合槽、防盗槽型、锁紧螺纹、涂胶螺钉等,可根据客户要求进行定制。
电话咨询:400-086-0001 025-86183701-8026
徐小姐
邮件咨询:dm8026@18luosi.com
QQ咨询:2850588428

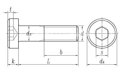
| 公称直径 | 4# | 5# | 6# | 8# | 10# | 1/4 | 5/16 | 3/8 | 7/16 | 1/2 | 5/8 | |
| d | 螺纹直径 | 0.1120 | 0.1250 | 0.1380 | 0.1640 | 0.1900 | 0.2500 | 0.3125 | 0.3750 | 0.4375 | 0.5000 | 0.6250 |
| PP | 粗牙/UNC | 40 | 40 | 32 | 32 | 24 | 20 | 18 | 16 | 14 | 13 | 11 |
| 细牙/UNF | 48 | 44 | 40 | 36 | 32 | 28 | 24 | 24 | 20 | 20 | 18 | |
| 超细牙/UNEF | - | - | - | - | - | 32.0 | 32.0 | 32.0 | 28.0 | 28.0 | 24.0 | |
| ds | 最大值 | 0.1120 | 0.1250 | 0.1380 | 0.1640 | 0.1900 | 0.2500 | 0.3125 | 0.3750 | 0.4375 | 0.5000 | 0.6250 |
| 最小值 | 0.1075 | 0.1202 | 0.1329 | 0.1585 | 0.1840 | 0.2435 | 0.3053 | 0.3678 | 0.4294 | 0.4919 | 0.6163 | |
| dk | 最大值 | 0.183 | 0.205 | 0.226 | 0.270 | 0.312 | 0.375 | 0.437 | 0.562 | 0.625 | 0.750 | 0.875 |
| 最小值 | 0.178 | 0.200 | 0.221 | 0.265 | 0.307 | 0.369 | 0.431 | 0.556 | 0.618 | 0.743 | 0.867 | |
| k | 最大值 | 0.059 | 0.065 | 0.072 | 0.085 | 0.098 | 0.127 | 0.158 | 0.192 | 0.223 | 0.254 | 0.316 |
| 最小值 | 0.053 | 0.059 | 0.066 | 0.079 | 0.092 | 0.121 | 0.152 | 0.182 | 0.213 | 0.244 | 0.306 | |
| s | 公称 | 0.050 | 0.062 | 0.062 | 0.078 | 0.094 | 0.125 | 0.156 | 0.188 | 0.219 | 0.250 | 0.312 |
| t | 最小值 | 0.038 | 0.044 | 0.050 | 0.060 | 0.072 | 0.094 | 0.110 | 0.115 | 0.135 | 0.151 | 0.250 |