DIN 7984 - 1985 内六角矮圆柱头螺钉
工艺:
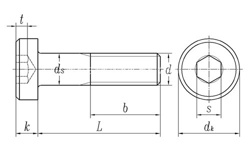
详细信息
DIN 7984 - 1985 内六角矮圆柱头螺钉
材质、等级:4.8级、8.8级、10.9级、12.9级、304、316等。
表面处理:环保蓝白锌,环保彩锌,环保达克罗,锌镍合金,镀镍,环保黑锌等。
盐雾时间:可做48H、72H、120H、240H等。
可做十字一字复合槽、防盗槽型、锁紧螺纹、涂胶螺钉等,可根据客户要求进行定制。
电话咨询:400-086-0001 025-86183701-8026
徐小姐
邮件咨询:dm8026@18luosi.com
QQ咨询:2850588428

| 公称直径 | M3 | M4 | M5 | M6 | M8 | M10 | M12 | (M14) | M16 | (M18) | M20 | (M22) | M24 | |
| P | 螺距 | 0.5 | 0.7 | 0.8 | 1 | 1.25 | 1.5 | 1.75 | 2 | 2 | 2.5 | 2.5 | 2.5 | 3 |
| b | L≤125 | 12 | 14 | 16 | 18 | 22 | 26 | 30 | 34 | 38 | 42 | 46 | 50 | 54 |
| 125<L≤200 | / | / | / | / | 28 | 32 | 36 | 40 | 44 | 48 | 52 | 56 | 60 | |
| L>200 | / | / | / | / | / | / | / | / | 57 | 61 | 65 | 69 | 73 | |
| dk | 最大值 | 5.5 | 7 | 8.5 | 10 | 13 | 16 | 18 | 21 | 24 | 27 | 30 | 33 | 36 |
| 最小值 | 5.32 | 6.78 | 8.28 | 9.78 | 12.73 | 15.73 | 17.73 | 20.67 | 23.67 | 26.67 | 29.67 | 32.61 | 35.61 | |
| k | 最大值 | 2 | 2.8 | 3.5 | 4 | 5 | 6 | 7 | 8 | 9 | 10 | 11 | 12 | 13 |
| 最小值 | 1.86 | 2.66 | 3.32 | 3.82 | 4.82 | 5.82 | 6.78 | 7.78 | 8.78 | 9.78 | 10.73 | 11.73 | 12.73 | |
| s | 公称 | 2 | 2.5 | 3 | 4 | 5 | 7 | 8 | 10 | 12 | 12 | 14 | 14 | 17 |
| 最大值 | 2.1 | 2.6 | 3.1 | 4.12 | 5.14 | 7.175 | 8.175 | 10.175 | 12.212 | 12.212 | 14.212 | 14.212 | 17.23 | |
| 最小值 | 2.02 | 2.52 | 3.02 | 4.02 | 5.02 | 7.025 | 8.025 | 10.025 | 12.032 | 12.032 | 14.032 | 14.032 | 17.05 | |
| t | 最大值 | 1.62 | 2.42 | 2.82 | 3.12 | 3.95 | 4.65 | 5.15 | 5.45 | 5.65 | 6.68 | 7.68 | 8.18 | 8.18 |
| 最小值 | 1.38 | 2.18 | 2.58 | 2.88 | 3.65 | 4.35 | 4.85 | 5.15 | 5.35 | 6.32 | 7.32 | 7.82 | 7.82 | |