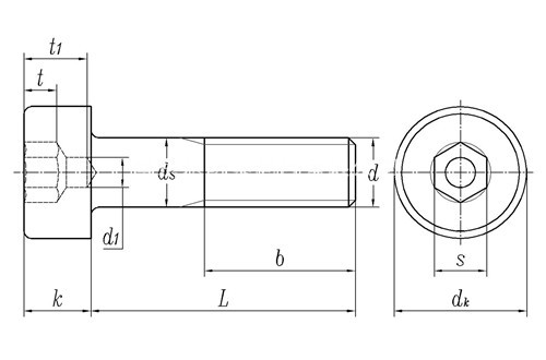
DIN 6912 - 2009 内六角带导向孔矮圆柱头螺钉
工艺:
详细信息
DIN 6912 - 2009 内六角带导向孔矮圆柱头螺钉
材质、等级:4.8级、8.8级、10.9级、12.9级、304、316等。
表面处理:环保蓝白锌,环保彩锌,环保达克罗,锌镍合金,镀镍,环保黑锌等。
盐雾时间:可做48H、72H、120H、240H等。
可做十字一字复合槽、防盗槽型、锁紧螺纹、涂胶螺钉等,可根据客户要求进行定制。
电话咨询:400-086-0001 025-86183701-8026
徐小姐
邮件咨询:dm8026@18luosi.com
QQ咨询:2850588428

| 公称直径 | M4 | M5 | M6 | M8 | M10 | M12 | (M14) | M16 | (M18) | M20 | (M22) | M24 | (M27) | M30 | (M33) | M36 | |
| P | 螺距 | 0.7 | 0.8 | 1 | 1.25 | 1.5 | 1.75 | 2 | 2 | 2.5 | 2.5 | 2.5 | 3 | 3 | 3.5 | 3.5 | 4 |
| b | L≤125 | 14 | 16 | 18 | 22 | 26 | 30 | 34 | 38 | 42 | 46 | 50 | 54 | 60 | 66 | 72 | 78 |
| 125<L≤200 | / | / | / | / | 32 | 36 | 40 | 44 | 48 | 52 | 56 | 60 | 66 | 72 | 78 | 84 | |
| L>200 | / | / | / | / | / | / | / | 57 | 61 | 65 | 69 | 73 | 79 | 85 | 91 | 97 | |
| d1 | 最大值 | 2.06 | 2.56 | 3.06 | 4.075 | 5.075 | 6.075 | 7.09 | 8.09 | 8.09 | 10.09 | 10.09 | 12.11 | 12.11 | 15.11 | 16.61 | 18.11 |
| 最小值=公称 | 2 | 2.5 | 3 | 4 | 5 | 6 | 7 | 8 | 8 | 10 | 10 | 12 | 12 | 15 | 16.5 | 18 | |
| dk | 最大值=公称 | 7 | 8.5 | 10 | 13 | 16 | 18 | 21 | 24 | 27 | 30 | 33 | 36 | 40 | 45 | 50 | 54 |
| 最小值 | 6.78 | 8.28 | 9.78 | 12.73 | 15.73 | 17.73 | 20.67 | 23.67 | 26.67 | 29.67 | 32.61 | 35.61 | 39.61 | 44.61 | 49.61 | 53.54 | |
| k | 最大值=公称 | 2.8 | 3.5 | 4 | 5 | 6.5 | 7.5 | 8.5 | 10 | 11 | 12 | 13 | 14 | 16 | 17.5 | 19.5 | 21.5 |
| 最小值 | 2.66 | 3.32 | 3.82 | 4.82 | 6.28 | 7.28 | 8.28 | 9.78 | 10.73 | 11.73 | 12.73 | 13.73 | 15.73 | 17.23 | 19.17 | 21.17 | |
| t | 最小值 | 1.48 | 1.88 | 2.38 | 2.88 | 3.35 | 3.85 | 4.35 | 5.35 | 5.85 | 6.32 | 6.82 | 6.82 | 8.32 | 8.82 | 9.82 | 11.28 |
| 最大值 | 1.72 | 2.12 | 2.62 | 3.12 | 3.65 | 4.15 | 4.65 | 5.65 | 6.15 | 6.68 | 7.18 | 7.18 | 8.68 | 9.18 | 10.18 | 11.72 | |
| t1 | 最小值 | 3.3 | 4 | 5 | 6.5 | 7.5 | 9 | 10 | 11.5 | 12.5 | 14 | 15 | 16 | 17 | 19 | 20 | 24 |
| 最大值 | 3.6 | 4.3 | 5.3 | 6.86 | 7.86 | 9.36 | 10.36 | 11.93 | 12.93 | 14.43 | 15.43 | 16.43 | 17.43 | 19.52 | 20.52 | 24.52 | |
| s | 最小值 | 3.02 | 4.02 | 5.02 | 6.02 | 8.025 | 10.025 | 12.032 | 14.032 | 14.032 | 17.05 | 17.05 | 19.065 | 19.065 | 22.065 | 24.065 | 27.065 |
| 最大值 | 3.1 | 4.12 | 5.14 | 6.14 | 8.175 | 10.175 | 12.212 | 14.212 | 14.212 | 17.23 | 17.23 | 19.275 | 19.275 | 22.275 | 24.275 | 27.275 | |