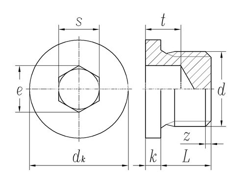
DIN 908 - 2012 内六角圆柱头喉塞
工艺:
详细信息
DIN 908 - 2012 内六角圆柱头喉塞
材质、等级:4.8级、8.8级、10.9级、12.9级、304、316等。
表面处理:环保蓝白锌,环保彩锌,环保达克罗,锌镍合金,镀镍,环保黑锌等。
盐雾时间:可做48H、72H、120H、240H等。
可做十字一字复合槽、防盗槽型、锁紧螺纹、涂胶螺钉等,可根据客户要求进行定制。
电话咨询:400-086-0001 025-86183701-8026
徐小姐
邮件咨询:dm8026@18luosi.com
QQ咨询:2850588428

| 规格 | M10 | M12 | - | M14 | M16 | - | M18 | M20 | - | M22 | M24 | M26 | M27 | M30 | M33 | M36 | M38 | M39 | M42 | M45 | M48 | M52 | - | M56 | M60 | M64 | |
| P | 螺距 | 1 | 1.5 | - | 1.5 | 1.5 | - | 1.5 | 1.5 | - | 1.5 | 1.5 | 1.5 | 2 | 1.5 | - | 1.5 | 1.5 | - | 1.5 | 1.5 | 1.5 | 1.5 | - | - | - | - |
| 螺距 | - | - | - | - | - | - | - | - | - | - | - | - | - | 2 | 2 | 2 | - | 2 | 2 | 2 | 2 | 2 | - | 2 | 2 | 2 | |
| d | 管螺纹 | G1/8A | - | G1/4A | - | - | G3/8A | - | - | G1/2A | - | - | - | G3/4A | - | G1A | - | G1 1/8A | - | G1 1/4A | - | G1 1/2A | - | G1 3/4A | - | G2A | - |
| k | 最小值=公称 | 3 | 3 | 3 | 3 | 3 | 3 | 4 | 4 | 4 | 4 | 4 | 4 | 4 | 4 | 5 | 5 | 5 | 5 | 5 | 5 | 5 | 5 | 5 | 5 | 5 | 5 |
| 最大值 | 3.5 | 3.5 | 3.5 | 3.5 | 3.5 | 3.5 | 4.5 | 4.5 | 4.5 | 4.5 | 4.5 | 4.5 | 4.5 | 4.5 | 5.5 | 5.5 | 5.5 | 5.5 | 5.5 | 5.5 | 5.5 | 5.5 | 5.5 | 5.5 | 5.5 | 5.5 | |
| dk | 最大值=公称 | 14 | 17 | 18 | 19 | 21 | 22 | 23 | 25 | 26 | 27 | 29 | 31 | 32 | 36 | 39 | 42 | 44 | 46 | 49 | 52 | 55 | 60 | 62 | 64 | 68 | 72 |
| 最小值 | 13.57 | 16.57 | 17.57 | 18.48 | 20.48 | 21.48 | 22.48 | 24.48 | 25.48 | 26.48 | 28.48 | 30.38 | 31.38 | 35.38 | 38.38 | 41.38 | 43.38 | 45.38 | 48.38 | 51.26 | 54.26 | 59.26 | 61.26 | 63.26 | 67.26 | 71.26 | |
| L | ≈ | 11 | 15 | 15 | 15 | 15 | 15 | 16 | 18 | 18 | 18 | 18 | 20 | 20 | 20 | 21 | 21 | 21 | 21 | 21 | 21 | 21 | 21 | 25 | 25 | 25 | 25 |
| s | 公称 | 5 | 6 | 6 | 6 | 8 | 8 | 8 | 10 | 10 | 10 | 12 | 12 | 12 | 17 | 17 | 19 | 19 | 19 | 22 | 22 | 24 | 24 | 32 | 32 | 32 | 32 |
| 最大值 | 5.15 | 6.15 | 6.15 | 6.15 | 8.19 | 8.19 | 8.19 | 10.19 | 10.19 | 10.19 | 12.23 | 12.23 | 12.23 | 17.23 | 17.23 | 19.275 | 19.275 | 19.275 | 22.275 | 22.275 | 24.275 | 24.275 | 32.33 | 32.33 | 32.33 | 32.33 | |
| 最小值 | 5.03 | 6.03 | 6.03 | 6.03 | 8.04 | 8.04 | 8.04 | 10.04 | 10.04 | 10.04 | 12.05 | 12.05 | 12.05 | 17.05 | 17.05 | 19.065 | 19.065 | 19.065 | 22.065 | 22.065 | 24.065 | 24.065 | 32.08 | 32.08 | 32.08 | 32.08 | |
| t | 最小值 | 5 | 7 | 7 | 7 | 7.5 | 7.5 | 7.5 | 7.5 | 7.5 | 7.5 | 7.5 | 9 | 9 | 9 | 9 | 10.5 | 10.5 | 10.5 | 10.5 | 10.5 | 10.5 | 10.5 | 14 | 14 | 14 | 14 |
| 千件重kg | 6.3 | 11.3 | 14.6 | 16 | 19 | 21.4 | 28.3 | 37.5 | 40.8 | 47.5 | 53.5 | 68.7 | 73.5 | 84 | 111 | 134 | 149 | 163 | 187 | 215 | 246 | 302 | 320 | 386 | 445 | 530 | |